• Witamy na Forum Mechaników!
    Aktualnie przeglądasz stronę jako gość. lub
    Jako użytkownik uzyskasz pełen dostęp do forum oraz będziesz mógł tworzyć tematy oraz brać udział w dyskusjach.
    Gorąco zachęcamy oraz zapraszamy do rejestracji!

Laguna 3 2.0 140km rozrząd i regulacja luzu zaworowego

gibson84

Bywalec
Dołączył
13.02.2024
Postów
50
Punktów
6
No ale teraz to już muszę. :)
Luzy zaworowe są już przy minimalnej granic.


Jedyne co mnie jeszcze zastanawia to ta pokrywa wałków rozrządu nigdy z taką nie miałem do czynienia.
 
Ostatnia edycja:

Psikuta1994

SuperMechanior
Dołączył
21.05.2020
Postów
1487
Porady
2
Punktów
385
Wiek
31
Zastanawiam się nad uszczelnieniem, bo podobno podkładki nie ma
Masa uszczelniająca do połączeń konstrukcji silnika . Nakładasz cienką warstwę w odpowiednim miejscu i dokręcasz śrubki w odpowiedniej kolejności z odpowiednią siłą
 

gibson84

Bywalec
Dołączył
13.02.2024
Postów
50
Punktów
6
Może ktoś przerabiał tema z tą pokrywą.
Uszczelniona była silikonem i wygląda to tak jakby była wprasowana wielką siłą, co spowodowało że nadmiar silikonu wypłyną na zewnątrz pozostawiając czystą powierzchnie styku głowicy z tą pokrywą. Ja w domowych warunkach tego nie zrobię. Zastanawiam się właśnie nad tym preparatem ale boje się że też odepchnie powierzchnie co spowoduje uszkodzenie wałków korbowych
 

Załączniki

  • IMG_20240724_095950.jpg
    IMG_20240724_095950.jpg
    2,8 MB · Wyświetleń: 30
  • IMG_20240724_095956.jpg
    IMG_20240724_095956.jpg
    2 MB · Wyświetleń: 31
  • IMG_20240724_100011.jpg
    IMG_20240724_100011.jpg
    2,1 MB · Wyświetleń: 29
  • IMG_20240724_104411.jpg
    IMG_20240724_104411.jpg
    1,8 MB · Wyświetleń: 38
Ostatnia edycja:

gibson84

Bywalec
Dołączył
13.02.2024
Postów
50
Punktów
6
Tak właśnie zrobiłem

Jakby ktoś borykał się z tematem szklanki nie są do kupienia (może w serwisie ale bałem się tam dzwonić:).
Zostaje tylko szlfowanie
 

Drugi2

SuperMechanior
Dołączył
15.07.2020
Postów
4923
Porady
5
Punktów
1547
Jakby ktoś borykał się z tematem szklanki nie są do kupienia (może w serwisie ale bałem się tam dzwonić:).
Zostaje tylko szlfowanie

czasami warto zapytać w serwisie. bywa, że oryginał jest w cenie najtańszej podróby lub dosłownie o kilka złotych droższy.
tak przypomniało mi się jak bodajże profesor Chris bawił się w blacharkę miski olejowej i po dniu klepania sprawdził cenę nowej: chyba 50 złotych czy coś takiego :)
 

gibson84

Bywalec
Dołączył
13.02.2024
Postów
50
Punktów
6
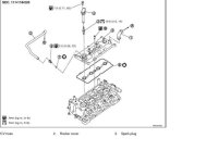
Wrzucam to co znalazłem na innym forum, może się komuś przyda
 

Załączniki

  • 1059037032_zmiennefazy.thumb.jpg.6eae71574f04890219516a3eb068db30.jpg
    1059037032_zmiennefazy.thumb.jpg.6eae71574f04890219516a3eb068db30.jpg
    37,6 KB · Wyświetleń: 58
  • 671520497_rozrzd.thumb.jpg.c1821ce42fa32fee977aadfde416a4f4.jpg
    671520497_rozrzd.thumb.jpg.c1821ce42fa32fee977aadfde416a4f4.jpg
    39,3 KB · Wyświetleń: 48
  • 1286572297_waki.thumb.jpg.893be6110e8b4f13f0bf468e06562747.jpg
    1286572297_waki.thumb.jpg.893be6110e8b4f13f0bf468e06562747.jpg
    30,2 KB · Wyświetleń: 48
  • 554089517_pokrywawakw.thumb.jpg.45b90a4e9b84da43cd6ae213a84d4af5.jpg
    554089517_pokrywawakw.thumb.jpg.45b90a4e9b84da43cd6ae213a84d4af5.jpg
    42,6 KB · Wyświetleń: 38
  • 430035940_pokrywarozrzdu.thumb.jpg.5d88bdf81ab37d41683bb9a14e0f30e9.jpg
    430035940_pokrywarozrzdu.thumb.jpg.5d88bdf81ab37d41683bb9a14e0f30e9.jpg
    28,7 KB · Wyświetleń: 34
  • 1173520147_pokrywaprzd.thumb.jpg.0d0e45630394631497aad5c9e5022c6b.jpg
    1173520147_pokrywaprzd.thumb.jpg.0d0e45630394631497aad5c9e5022c6b.jpg
    13,1 KB · Wyświetleń: 35
  • 899054496_miskaolejowa.thumb.jpg.a8d4be16b67bdd4adc93b7c378c2e528.jpg
    899054496_miskaolejowa.thumb.jpg.a8d4be16b67bdd4adc93b7c378c2e528.jpg
    23,5 KB · Wyświetleń: 32
  • 1287236389_koopasowe.thumb.jpg.f5a62f3598cbda7d21494b496896f73c.jpg
    1287236389_koopasowe.thumb.jpg.f5a62f3598cbda7d21494b496896f73c.jpg
    39,5 KB · Wyświetleń: 49

gibson84

Bywalec
Dołączył
13.02.2024
Postów
50
Punktów
6
Dzięki za załączniki, szukam blokad do tego silnika kupowałeś takie?
Nie, na wałku rozrządu jest miejsce na klucz, najzwyklejszy, rozmiaru nie pamiętam ale coś ponad 20.

Ja rozkręcałem koła blokując 1 tłok od rozrządu, tzn. ustawiłem go w pozycji przed zamknięciem zaworów i napchałem takiego grubszego sznurka który zblokował mi tłok. Pamiętaj że będziesz odkręcał to trzeba wziąć pod uwage. Patent z kosiarek czy w ten sposób mogę uszkodzić panewki tego nie wiem może ktoś bardziej doświadczony się wypowie.
 

Grzegorz.Józefów

Zweryfikowany Mechanik
Dołączył
31.08.2014
Postów
1420
Porady
1
Punktów
476
Miasto
Józefów
Nie, na wałku rozrządu jest miejsce na klucz, najzwyklejszy, rozmiaru nie pamiętam ale coś ponad 20.

Ja rozkręcałem koła blokując 1 tłok od rozrządu, tzn. ustawiłem go w pozycji przed zamknięciem zaworów i napchałem takiego grubszego sznurka który zblokował mi tłok. Pamiętaj że będziesz odkręcał to trzeba wziąć pod uwage. Patent z kosiarek czy w ten sposób mogę uszkodzić panewki tego nie wiem może ktoś bardziej doświadczony się wypowie.
Kurka na "sznurek" jeszcze nie blokowałem tłoków, proponuje złożyć w urzędzie patentowym ;)
 

Jarzi

Zweryfikowany Mechanik
Dołączył
21.04.2017
Postów
7274
Porady
1
Punktów
2066
Wiek
35
Miasto
Kaczory
Stary patent, ale tez nie korzystałem.
 

markiz002

Początkujący
Dołączył
15.10.2023
Postów
8
Punktów
1
No ja pierwszo słyszę że na sznurek można zablokować i odkręcić, ale dobrze wiedzieć
 

gibson84

Bywalec
Dołączył
13.02.2024
Postów
50
Punktów
6
Dobrze też wiedzieć że
:
W celu uniknięcia uszkodzeń NIE uruchamiać silnika bez zamontowanego paska napędu dodatkowych podzespołów.
Ale tak na poważnie, to może ktoś się wypowie na temat: czy można uszkodzić w taki sposób panewki?
 
Do góry Bottom